在電子產品中,RJ11接口得到比較廣泛的應用。但由于現在的工作電磁環境相當惡劣,且產品經常在高壓電旁等原因,使得RJ11接口經常出現過壓或過流現象,因此我們的產品需要進行防雷、防浪涌、防干擾、防靜電設計。

本電路是RJ11的防護電路,可以起到防雷、防浪涌和防靜電作用,只要電路中器件的參數選的合適,完全可以通過差模和共模6KV、3KA的浪涌沖擊測試。
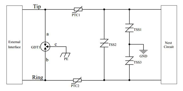
一、各器件在電路中起到的作用如下:
首先明白一點,對于防雷而言,線對線之間的稱為差模防雷,線對大地之間的稱為共模防雷。
GDT1 :陶瓷氣體放電管
GDT陶瓷氣體放電管是一種開關型的過壓保護器件,主要優點是通流量大,容值低等;缺點是反應速度較慢(us級),殘壓高等。
這里GDT1使用了三極陶瓷氣體放電管,c級接了大地線PE,既可以進行差模防雷也可以共模防雷。當有差模浪涌在Tip和Ring之間時,當其兩端電壓升高到大于放電電壓時,產生弧光放電,氣體電離放電后由高阻抗轉為低阻抗,使其兩端電壓迅速降低;當有共模浪涌在Tip與大地之間或Ring與大地之間時,那么放電管的ac極或bc極擊穿導通,實現泄放浪涌作用。
TSS1/2/3 :半導體放電管或瞬態抑制二極管
半導體放電管是一種開關型過壓保護器件,主要優點是反應速度(ns級)比GDT快,容值比TVS低(對信號時序影響不大),通流量比同等尺寸的TVS大等;缺點是殘壓比TVS高等。
瞬態抑制二極管是一種箝位型過壓保護器件,主要優點是反應速度(ps級)比TSS快,殘壓低等;缺點是容值比較大等。
其中TSS2是起到差模防護的作用,TSS1/3起到共模防護的作用。
注意這里的TSS1和TSS3是接工作地GND。這種接地方式對于防雷來說,保護效果更好。
PTC1/2 :自恢復保險絲
PTC自恢復保險絲是一種過流保護器件,主要是起到退耦、緩沖、延時的作用,也可以用普通大功率電阻替代。因為TSS和TVS的反應時間比GDT的快。出現浪涌時,若沒有PTC作退耦作用,那么TSS會先導通,起不到泄放大浪涌的作用。
二、明白了各個器件的作用后,分析整個電路就簡單了,過程如下:
差模防護:當浪涌從線間輸入時,由于PTC的退耦作用,GDT1的ab極會首先擊穿,擊穿后會使線間的壓差降低;殘余電壓經過PTC后由反應速度較快的TSS或TVS箝位,這時殘壓較低,起到保護后端設備的作用。
共模防護:當浪涌從線間輸入時,由于PTC的退耦作用,GDT1的ac/bc極會首先擊穿,擊穿后會使線間大部分的浪涌泄放至大地;殘余電壓經過PTC后由反應速度較快的TSS或TVS箝位,這時殘壓較低,起到保護后端設備的作用。
推薦閱讀:鋰電池的快充保護應用






